Skip to content

Tratamiento de Aguas Residuales Municipales y Comunitarias
Infraestructura Confiable para el Sector Público

Plantas de tratamiento de aguas residuales de ingeniería europea diseñadas para municipios, comunidades y entidades públicas de la República Dominicana.

Grupo 7 es el representante exclusivo autorizado de Traidenis, ofreciendo soluciones prefabricadas de alto desempeño para infraestructura pública.
12

EL RETO MUNICIPAL EN LA REPÚBLICA DOMINICANA

El tratamiento de aguas residuales municipales es uno de los mayores desafíos de infraestructura del país. El crecimiento urbano y turístico exige sistemas:
  • Confiables y duraderos
  • De fácil operación
  • Cumplidores de normativas ambientales

Muchas plantas tradicionales presentan fallas estructurales, altos costos operativos y baja eficiencia.
Las soluciones Traidenis están diseñadas para resolver estas deficiencias de forma definitiva.

SISTEMAS DE INGENIERÍA PREFABRICADA


No existen soluciones estándar para las plantas de tratamiento ecológicas de alto valor natural; cada proyecto se adapta individualmente a las necesidades del inversor. El diseño compacto de los componentes de la planta permite su ampliación, lo que aumenta su capacidad. Los tanques de tratamiento están fabricados con resinas de poliéster reforzadas con fibra de vidrio, lo que los hace ligeros y fáciles de transportar, proporcionando una alta resistencia mecánica y química. Cada unidad se caracteriza por la ausencia de piezas móviles, lo que aumenta su eficiencia y durabilidad. Las plantas de tratamiento ecológicas de alto valor natural con una capacidad superior a 25 m³/día se instalan con un decantador secundario independiente.

Finalidad y ámbito de aplicación
Las plantas de tratamiento de aguas residuales de alto valor natural (HNV), equivalentes a las plantas de tratamiento de aguas residuales en contenedores, están diseñadas para tratar aguas residuales domésticas e industriales procedentes de instalaciones no conectadas al sistema de alcantarillado sanitario. Son ideales para plantas de tratamiento de aguas residuales municipales, industriales, residenciales o municipales.

No deben recibir agua de lluvia (de techos, pavimentos, etc.), agua de piscinas y otros depósitos con un volumen superior a 1 m³, ni productos químicos. Estas unidades funcionan con tecnología que garantiza la eliminación de contaminantes de las aguas residuales domésticas, de acuerdo con los requisitos especificados en el Reglamento del Ministerio de Protección Ambiental para plantas de tratamiento de aguas residuales con una población superior a 2000 habitantes.

Ventajas de las unidades compactas de tipo HNV:
– Larga vida útil (la planta de tratamiento de aguas residuales está fabricada con laminado, una resina de poliéster reforzada con fibra de vidrio),
– Puede instalarse tanto bajo tierra como en terraplén,
– Las aguas residuales tratadas no emiten olores desagradables,
– Sin piezas móviles que requieran monitorización y control constantes,
– Disponible en diversas capacidades,
– No se requieren dispositivos de filtrado adicionales,
– Las aguas residuales tratadas son incoloras e inodoras,
– Funcionamiento muy silencioso de los dispositivos eléctricos,
– Fácil manejo y funcionamiento automatizado,
– Alto nivel de tratamiento de aguas residuales,
– Muy bajo consumo energético,
– Espacio reducido,
– Fácil instalación.

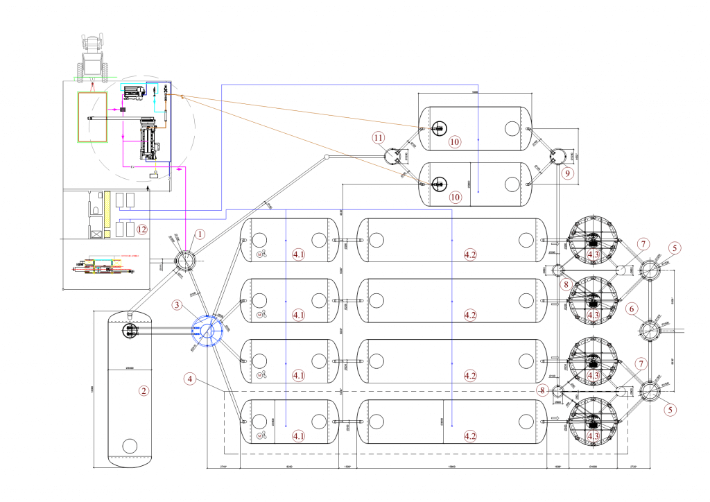
Diagrama de flujo del diseño de los equipos de una planta de tratamiento de aguas residuales de tipo HNV
Cada planta de tratamiento consta de varios (incluso una docena) componentes independientes.
Consta de:
  • una criba manual o automática,
  • un desarenador aireado,
  • un decantador primario,
  • un tanque de tratamiento de aguas residuales con etapa biológica y un decantador secundario,
  • un tanque de desnitrificación y nitrificación,
  • un decantador secundario,
  • un pozo de medición y control.
Si es necesario, incluso cuando la unidad funciona como planta de tratamiento de aguas residuales municipales, se pueden instalar equipos adicionales, como un separador de grasas, un tanque de retención, etc.

Planta de tratamiento de aguas residuales con nitrificación y desnitrificación tipo HNV-N
 
La planta de tratamiento de HNV-N consta de una cámara anóxica (desnitrificación), una cámara aeróbica (nitrificación) y un decantador secundario. Dependiendo de la capacidad de producción, las unidades se fabrican en un solo tanque o constituyen tanques separados de la planta de tratamiento biológico. Antes de la planta de tratamiento de HNV-N en contenedores, es necesario instalar una criba o bomba de molienda, un desarenador y, si las aguas residuales contienen cantidades significativas de grasa, un separador de grasas.

Plantas de tratamiento de tipo HNV-N: principio de funcionamiento​​​​​​

En una unidad de tratamiento biológico, las aguas residuales entran primero en la cámara de desnitrificación (anaeróbica). Aquí, ocurren procesos que reducen el contenido de compuestos nitrogenados: nitrógeno nítrico (N-NO-3).

El lodo en esta cámara se mezcla utilizando un mezclador sumergible. En la siguiente etapa, el lodo se transfiere a la cámara de nitrificación (aeróbica). Aquí, los compuestos nitrogenados se reducen a nitrógeno amónico (N-NH+4). El aire se suministra a la cámara de aireación mediante un soplador de aire a través de difusores de silicona. Desde la cámara aeróbica, la mezcla de lodos se transfiere al tanque de sedimentación secundario, donde se produce la sedimentación de lodos activados y la decantación de las aguas residuales tratadas.

Para mantener una eficiencia adecuada en el tratamiento de aguas residuales, se llevan a cabo procesos de recirculación externa e interna de lodos. La recirculación interna implica bombear lodos activados desde la cámara aeróbica a la cámara anaeróbica. La recirculación externa implica bombear lodos activados desde el tanque de sedimentación secundario a la cámara anaeróbica. La tasa de recirculación se determina en función del caudal de aguas residuales. Para mantener la concentración correcta de lodos activados en el biorreactor (a 4 g/l), el exceso de lodos se descarga del decantador secundario al espesador de lodos. En este tanque, los lodos se deshidratan al 96-97 %. Opcionalmente, el contenido del espesador puede transportarse periódicamente a entidades autorizadas para la gestión de lodos municipales.

El funcionamiento de los elementos tecnológicos se controla automáticamente, ya que el proceso tecnológico de la planta de tratamiento biológico está diseñado para ser simple y eficiente. La operación de la planta de tratamiento se limita a la monitorización periódica de su funcionamiento.

Durante la puesta en marcha, una persona designada por el inversor recibirá formación para la supervisión de la planta de tratamiento biológico, o se designará a una persona especializada para que se encargue del mantenimiento integral y supervise su correcto funcionamiento.

Las plantas de tratamiento de aguas residuales HNV-N alcanzan el máximo nivel de tratamiento de aguas residuales con costes operativos mínimos. Esto las convierte en ideales como plantas de tratamiento de aguas residuales municipales.

Ejemplos de soluciones tecnológicas


 
Schemat hnv 70

Diagrama esquemático de la planta de tratamiento de aguas residuales HNV-N-70 con una capacidad de 70 m3/d

Schemat hnv 500

Diagrama esquemático de la planta de tratamiento de aguas residuales HNV-N-500 con una capacidad de 500 m3/d


Video